炒股配资门户-上海佰倍投资有限公司怎么样-【东方资本】,配资平台投资多少合适,如何加杠杆买比特币,永不亏损的股票有哪些

Search

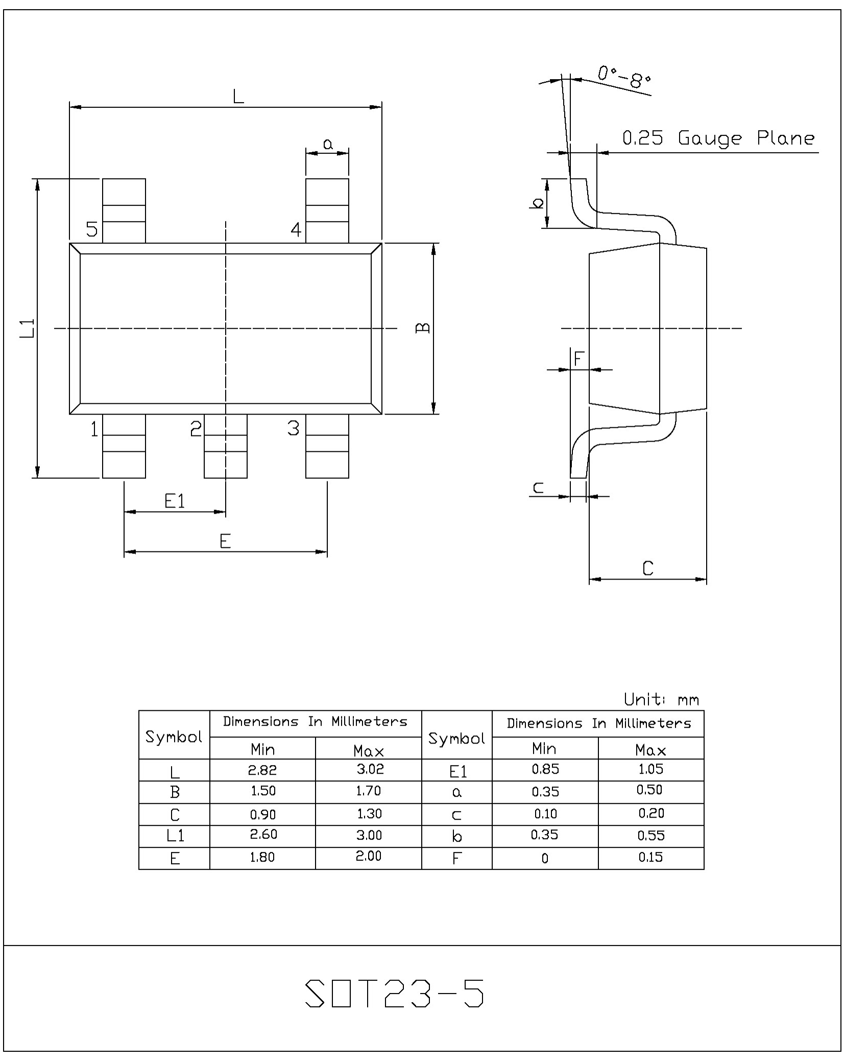
Package

Domestic professional research and development manufacturer of semiconductor devices

SOT23-5 Detailed introduction